EX1-00250

EX1-00250

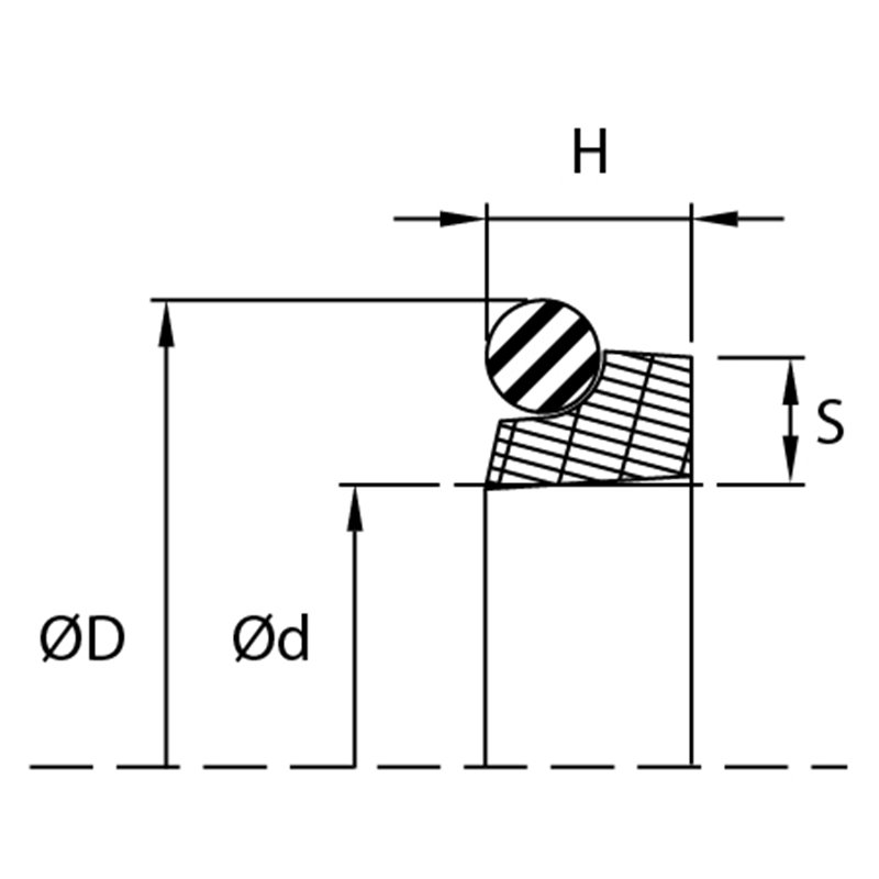
RW. 0.250 X 0.436 X 0.144"

R.WIPER - PTFE/NBR

This product is no longer in stock

CAD$0.00 O/R

Data sheet

Category numberEX1
Inch/MetricI
MaterialBR.PTFE/NBR
ID0.250
H10.144
D10.356
h10.144
d10.356
D20.436

Download

30 other products in the same category: