Display all pictures
Model W008140035WN
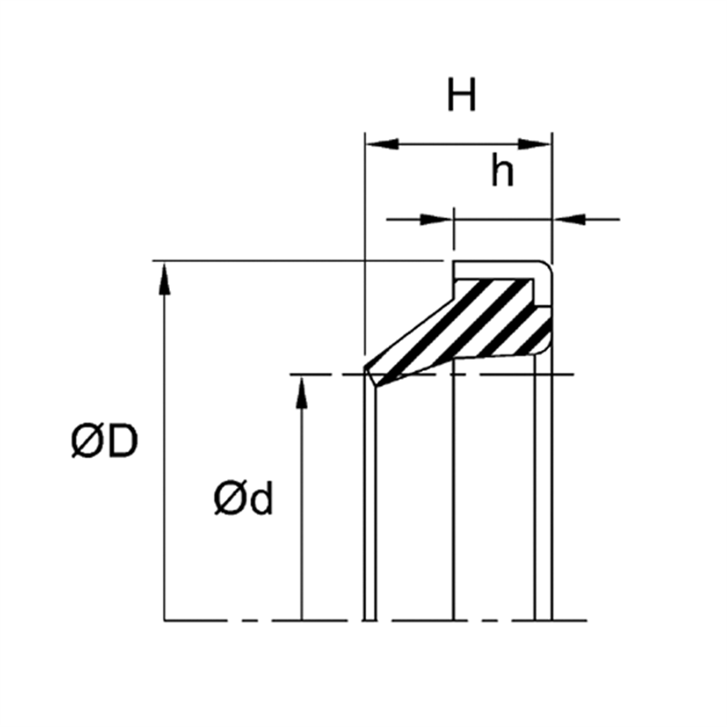
RW. 8.00 X 14.00 X 3.50
R.WIPER - NBR/STEEL
This product is no longer in stock
Warning: Last items in stock!
Availability date: 03/15/2016
CAD$0.00 O/R
Quantity:
This product is not sold individually. You must select at least 1 quantity for this product.
Add to cart