VRM02

The axial seals are simple sealing elements that are particularly well-suited for use in combination with radial shaft seals, for example, against dirt, dust, grease and spay water. They consist of two components: a coated metal ring and a moulded, vulcanized elastomer sealing element. The metal ring protects the elastomer sealing element against damage. The axial seals have a good, dynamic sealing effect and low requirements.

VRM02Product View
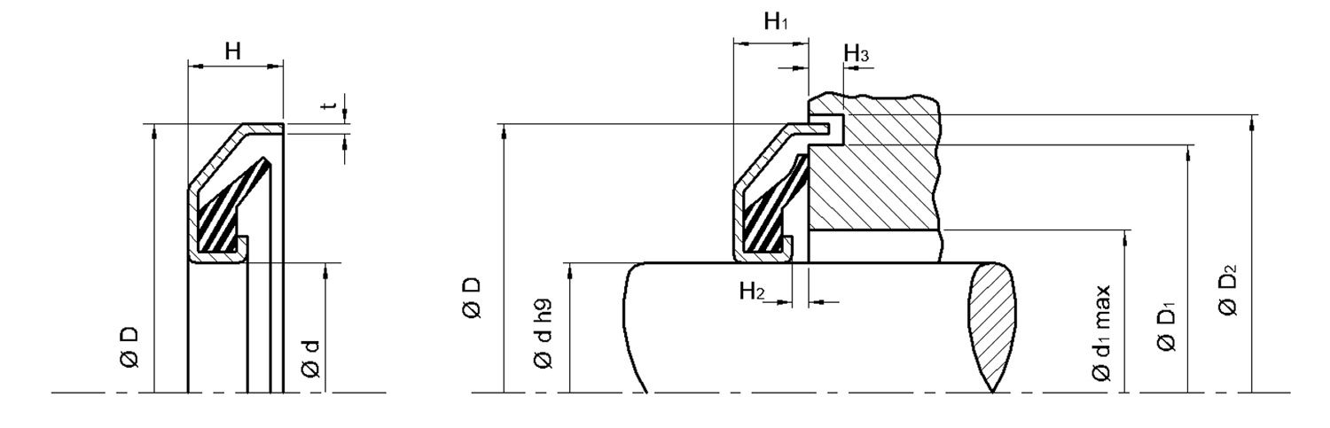
Technical DiagramTechnical Diagram

Available Materials

NBR/STEEL - NBR/STEEL (18 found(s))
Ref. No.
VRM02-100
∅d
100
∅D
122
H
5.5
VRM02-15
∅d
15
∅D
32
H
4
VRM02-17
∅d
17
∅D
34
H
4
VRM02-20
∅d
20
∅D
37
H
4
VRM02-25
∅d
25
∅D
42
H
4
VRM02-30
∅d
30
∅D
48
H
4.5
VRM02-35
∅d
35
∅D
53
H
4.5
VRM02-40
∅d
40
∅D
58
H
4.5
VRM02-45
∅d
45
∅D
63
H
4.5
VRM02-50
∅d
50
∅D
72
H
5.5
VRM02-55
∅d
55
∅D
77
H
5.5
VRM02-60
∅d
60
∅D
82
H
5.5
VRM02-65
∅d
65
∅D
87
H
5.5
VRM02-70
∅d
70
∅D
92
H
5.5
VRM02-80
∅d
80
∅D
102
H
5.5
VRM02-85
∅d
85
∅D
107
H
5.5
VRM02-90
∅d
90
∅D
112
H
5.5
VRM02-95
∅d
95
∅D
117
H
5.5