P1000 HYCO

Similar to the standard P1000-style. these are Hyco® brand-specific equipment. Part numbers are for reference purposes only. we do not imply that these parts are of original equipment provenance.

P1000 HYCOProduct View
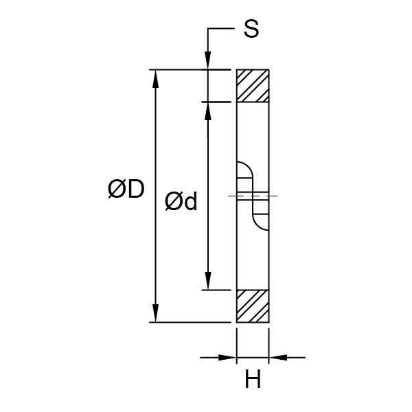
Technical DiagramTechnical Diagram

Available Materials

CAST IRON - CAST IRON (16 found(s))
Ref. No.
RHYC-A18025
∅D
8.5
H
0.248
RHYC-A18026
∅D
7.5
H
0.248
RHYC-A18027
∅D
6.5
H
0.248
RHYC-A18028
∅D
5.5
H
0.248
RHYC-A18029
∅D
4.5
H
0.248
RHYC-A18030
∅D
3.5
H
0.248
RHYC-A18385
∅D
9.75
H
0.248
RHYC-B12071/300
∅D
3.5
H
0.497
RHYC-B12071/400
∅D
4.5
H
0.497
RHYC-B12071/500
∅D
5.5
H
0.497
RHYC-B12071/600
∅D
6.5
H
0.497
RHYC-B12071/700
∅D
7.5
H
0.497
RHYC-B12071/800
∅D
8.5
H
0.497
RHYC-B12071/812
∅D
8.625
H
0.497
RHYC-B12071/900
∅D
9.75
H
0.497
RHYC-B12071/938
∅D
9.875
H
0.497