SBB

SBB-style Radial spherical plain bearings have an inner ring with a sphered convex outside surface and an outer ring with a correspondly sphered but concave inside surface. Their design makes them particulary suitable for bearing arrangements where alignment movements between shaft and housing have to be accomodated, or where oscillating or reccurent tilting or slewing movements must be permitted at relatively slow sliding speeds.

SBBProduct View
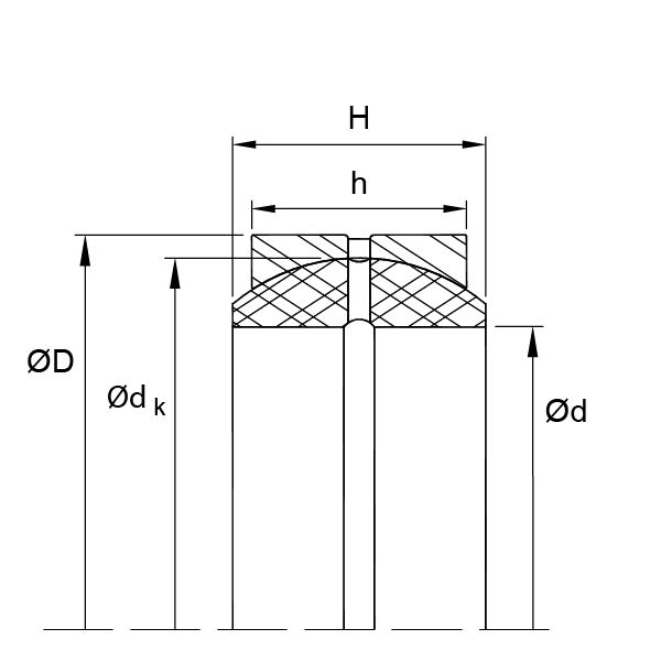
Technical DiagramTechnical Diagram

Available Materials

STEEL - STEEL (21 found(s))
Ref. No.
SBB08/Z
∅d
0.5
∅D
0.875
H
0.437
h
0.375
SBB10/Z
∅d
0.625
∅D
1.062
H
0.547
h
0.469
SBB12/Z
∅d
0.75
∅D
1.25
H
0.656
h
0.562
SBB14/Z
∅d
0.875
∅D
1.437
H
0.765
h
0.656
SBB16/Z
∅d
1
∅D
1.625
H
0.875
h
0.75
SBB20/Z
∅d
1.25
∅D
2
H
1.093
h
0.937
SBB22/Z
∅d
1.375
∅D
2.187
H
1.187
h
1.031
SBB24/Z
∅d
1.5
∅D
2.437
H
1.312
h
1.125
SBB28/Z
∅d
1.75
∅D
2.812
H
1.531
h
1.312
SBB32/Z
∅d
2
∅D
3.187
H
1.75
h
1.5
SBB36/Z
∅d
2.25
∅D
3.562
H
1.969
h
1.687
SBB40/Z
∅d
2.5
∅D
3.937
H
2.187
h
1.875
SBB44/Z
∅d
2.75
∅D
4.375
H
2.406
h
2.062
SBB48/Z
∅d
3
∅D
4.75
H
2.625
h
2.25
SBB52/Z
∅d
3.25
∅D
5.125
H
2.844
h
2.437
SBB56/Z
∅d
3.5
∅D
5.5
H
3.062
h
2.625
SBB60/Z
∅d
3.75
∅D
5.875
H
3.281
h
2.812
SBB64/Z
∅d
4
∅D
6.25
H
3.5
h
3
SBB72/Z
∅d
4.5
∅D
7
H
3.937
h
3.375
SBB80/Z
∅d
5
∅D
7.75
H
4.375
h
3.75
SBB96/Z
∅d
6
∅D
8.75
H
4.75
h
4.125