Display all pictures
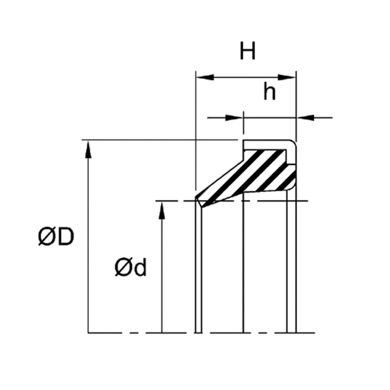
Model W020030050WN
RW. 20.00 X 30.00 X 5.00
R.WIPER - NBR/STEEL
Product in stock
Warning: Last items in stock!
Availability date: 03/15/2016
CAD$4.80
Quantity:
This product is not sold individually. You must select at least 1 quantity for this product.
Add to cart