Display all pictures
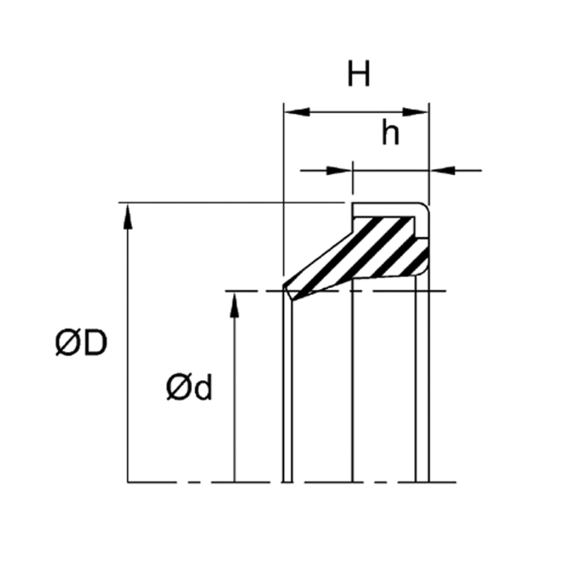
Model W032045070WN
RW. 32.00 X 45.00 X 7.00
R.WIPER - NBR/STEEL
Product in stock
Warning: Last items in stock!
Availability date: 03/15/2016
CAD$4.69
Quantity:
This product is not sold individually. You must select at least 1 quantity for this product.
Add to cart