Display all pictures
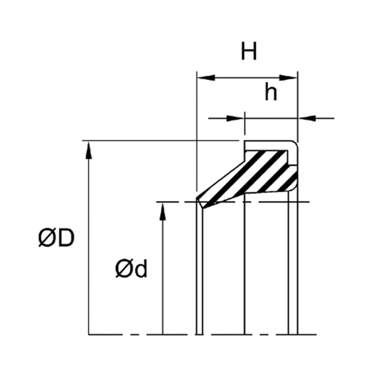
Model W036046070WN
RW. 36.00 X 46.00 X 7.00
R.WIPER - NBR/STEEL
This product is no longer in stock
Warning: Last items in stock!
Availability date: 03/15/2016
CAD$0.00 O/R
Quantity:
This product is not sold individually. You must select at least 1 quantity for this product.
Add to cart