W047057070WN

W047057070WN

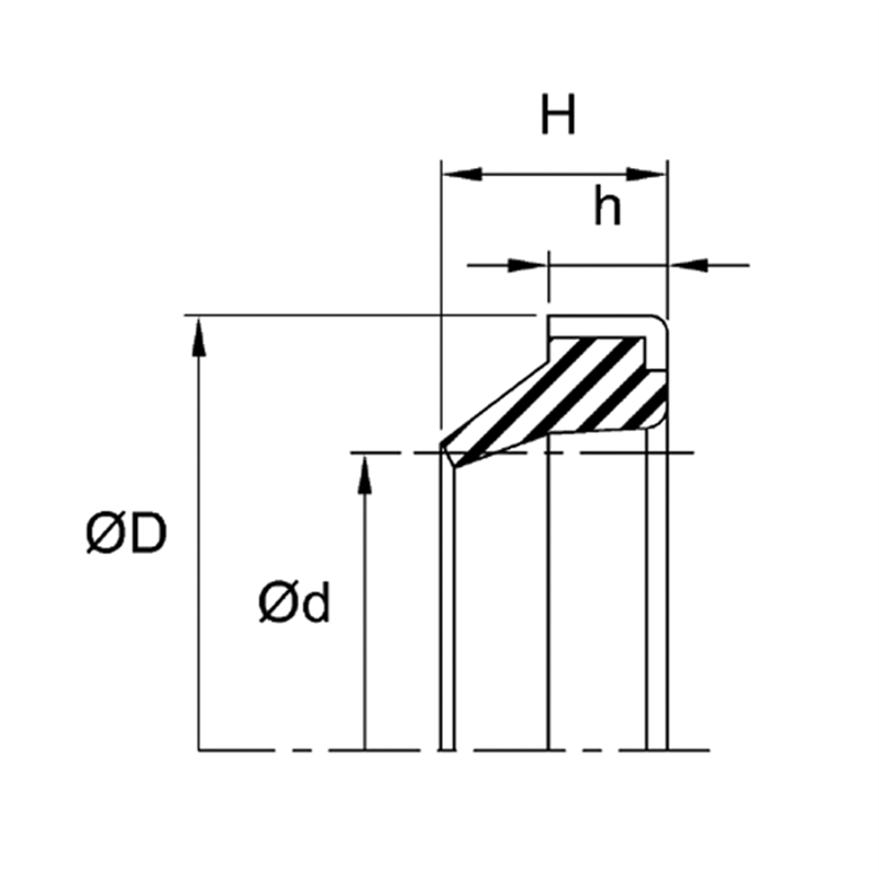
RW. 47.00 X 57.00 X 7.00

R.WIPER - NBR/STEEL

Product in stock

CAD$14.91

Data sheet

Category number WN
Inch/Metric M
Material NBR/STEEL
ID 47.00
OD 57.00
H 10.00
HEIGHT 7.00

Download

30 other products in the same category: