Display all pictures
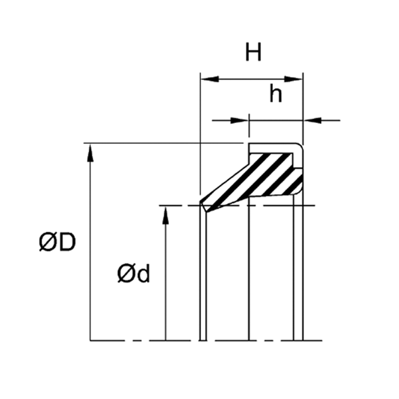
Model W050060050WN
RW. 50.00 X 60.00 X 5.00
R.WIPER - NBR/STEEL
Product in stock
Warning: Last items in stock!
Availability date: 03/15/2016
CAD$8.23
Quantity:
This product is not sold individually. You must select at least 1 quantity for this product.
Add to cart