W050065050WN

W050065050WN

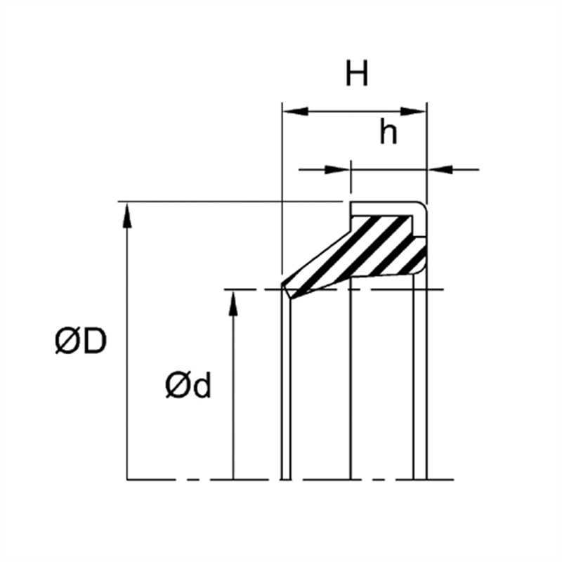
RW. 50.00 X 65.00 X 5.00

R.WIPER - NBR/STEEL

Product in stock

CAD$14.63

Data sheet

Category number WN
Inch/Metric M
Material NBR/STEEL
ID 50.00
OD 65.00
H 8.00
HEIGHT 5.00

Download

30 other products in the same category: