W150165090WN

W150165090WN

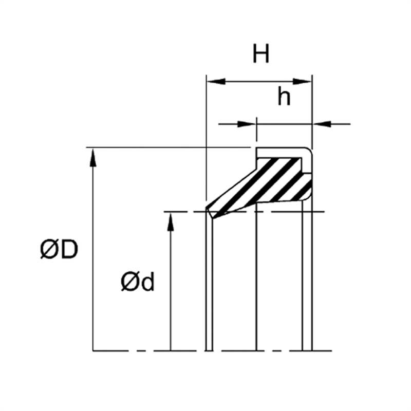
RW.150.00 X 165.00 X 9.00

R.WIPER - NBR/STEEL

Produit en stock

Entrepôts :

  • AB - Edmonton : 3 Produits
  • AB - Calgary : Disponible sur commande
  • BC - Vancouver : 3 Produits
  • MB - Winnipeg : Disponible sur commande
  • ON - Mississauga : Disponible sur commande
  • QC - Montreal : Disponible sur commande
  • QC - Quebec : Disponible sur commande

CAD$87.24

Fiche technique

Styles WN
Impérial/Métrique M
Compositions NBR/STEEL
DIA. INTERIEUR 150.00
DIA. EXTERIEUR 165.00
H 12.00
HAUTEUR 9.00

Téléchargement

30 Autres produits dans la même catégorie: