W150166080WN

W150166080WN

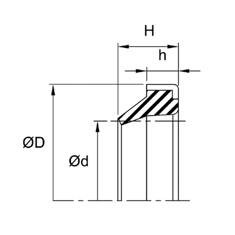
RW.150.00 X 166.00 X 8.00

R.WIPER - NBR/STEEL

Produit en stock

Entrepôts :

  • AB - Calgary : Disponible sur commande
  • AB - Edmonton : Disponible sur commande
  • BC - Vancouver : Disponible sur commande
  • MB - Winnipeg : Disponible sur commande
  • ON - Mississauga : Disponible sur commande
  • QC - Quebec : Disponible sur commande
  • QC - Montreal : 4 Produits

CAD$152.61

Fiche technique

Styles WN
Impérial/Métrique M
Compositions NBR/STEEL
DIA. INTERIEUR 150.00
DIA. EXTERIEUR 166.00
H 12.00
HAUTEUR 8.00

Téléchargement

30 Autres produits dans la même catégorie: