W022035050WN

W022035050WN

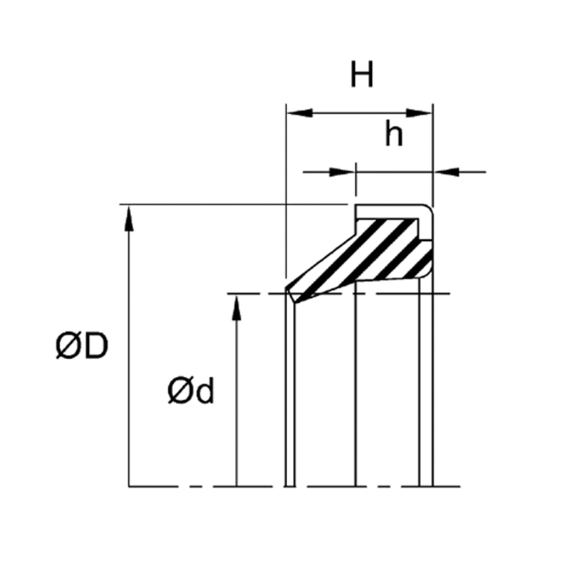
RW. 22.00 X 35.00 X 5.00

R.WIPER - NBR/STEEL

Produit en stock

Entrepôts :

  • AB - Edmonton : 2 Produits
  • AB - Calgary : Disponible sur commande
  • BC - Vancouver : Disponible sur commande
  • MB - Winnipeg : Disponible sur commande
  • ON - Mississauga : 5 Produits
  • QC - Quebec : 1 Produit
  • QC - Montreal : 160 Produits

CAD$9.77

Fiche technique

Styles WN
Impérial/Métrique M
Compositions NBR/STEEL
DIA. INTERIEUR 22.00
DIA. EXTERIEUR 35.00
H 8.00
HAUTEUR 5.00

Téléchargement

30 Autres produits dans la même catégorie: