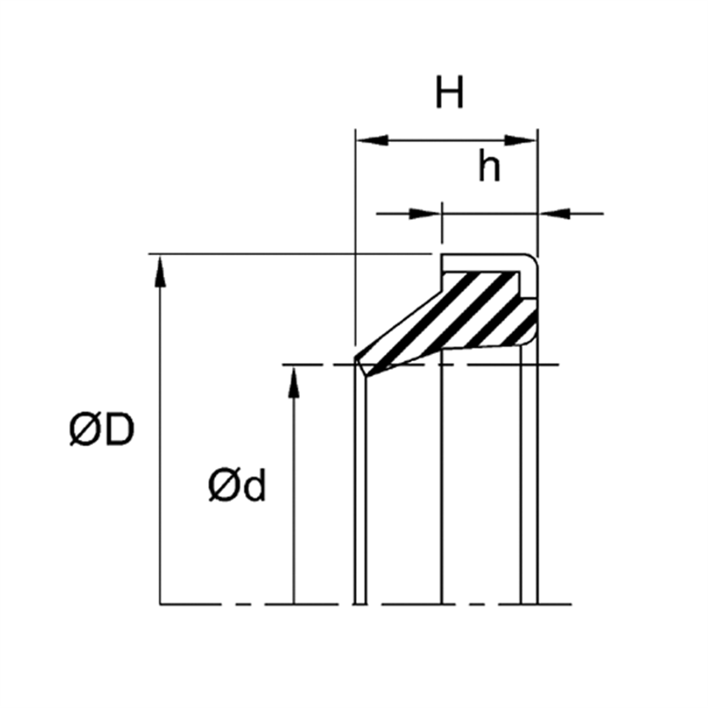
W030045070WN
RW. 30.00 X 45.00 X 7.00
R.WIPER - NBR/STEEL
Ce produit n'est plus en stock
Attention : dernières pièces disponibles !
Date de disponibilité: 15/03/2016
| Styles | WN |
| Impérial/Métrique | M |
| Compositions | NBR/STEEL |
| DIA. INTERIEUR | 30.00 |
| DIA. EXTERIEUR | 45.00 |
| H | 10.00 |
| HAUTEUR | 7.00 |