W040052050WN

W040052050WN

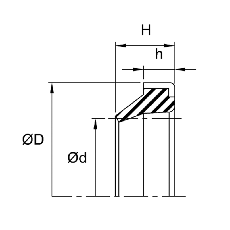
RW. 40.00 X 52.00 X 5.00

R.WIPER - NBR/STEEL

Produit en stock

Entrepôts :

  • AB - Edmonton : 8 Produits
  • AB - Calgary : Disponible sur commande
  • BC - Vancouver : 6 Produits
  • MB - Winnipeg : Disponible sur commande
  • ON - Mississauga : Disponible sur commande
  • QC - Montreal : Disponible sur commande
  • QC - Quebec : 5 Produits

CAD$13.02

Fiche technique

Styles WN
Impérial/Métrique M
Compositions NBR/STEEL
DIA. INTERIEUR 40.00
DIA. EXTERIEUR 52.00
H 8.00
HAUTEUR 5.00

Téléchargement

30 Autres produits dans la même catégorie: