W040055090WN

W040055090WN

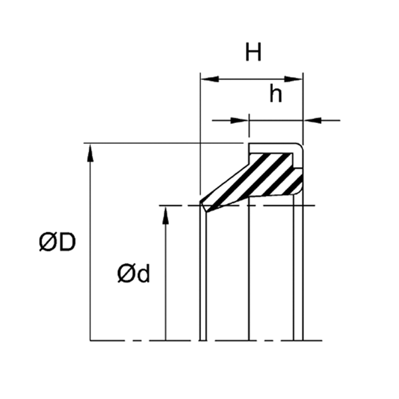
RW. 40.00 X 55.00 X 9.00

R.WIPER - NBR/STEEL

Produit en stock

Entrepôts :

  • AB - Edmonton : 12 Produits
  • AB - Calgary : Disponible sur commande
  • BC - Vancouver : Disponible sur commande
  • MB - Winnipeg : Disponible sur commande
  • ON - Mississauga : Disponible sur commande
  • QC - Montreal : 2 Produits
  • QC - Quebec : Disponible sur commande

CAD$14.27

Fiche technique

Styles WN
Impérial/Métrique M
Compositions NBR/STEEL
DIA. INTERIEUR 40.00
DIA. EXTERIEUR 55.00
H 12.00
HAUTEUR 9.00

Téléchargement

30 Autres produits dans la même catégorie: