W047057070WN

W047057070WN

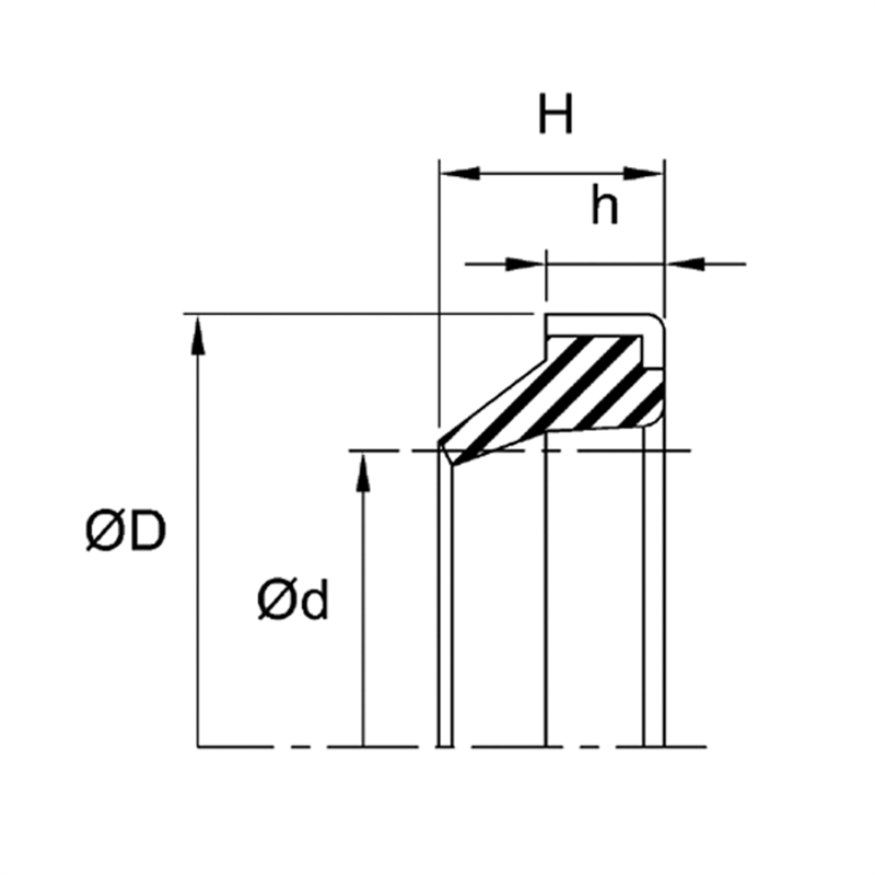
RW. 47.00 X 57.00 X 7.00

R.WIPER - NBR/STEEL

Produit en stock

Entrepôts :

  • AB - Edmonton : Disponible sur commande
  • AB - Calgary : Disponible sur commande
  • BC - Vancouver : Disponible sur commande
  • MB - Winnipeg : Disponible sur commande
  • ON - Mississauga : Disponible sur commande
  • QC - Quebec : Disponible sur commande
  • QC - Montreal : 541 Produits

CAD$14.91

Fiche technique

Styles WN
Impérial/Métrique M
Compositions NBR/STEEL
DIA. INTERIEUR 47.00
DIA. EXTERIEUR 57.00
H 10.00
HAUTEUR 7.00

Téléchargement

30 Autres produits dans la même catégorie: