R200215059RZ

R200215059RZ

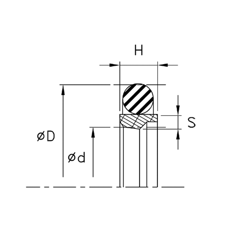
200.00MM.- ROD STEP SEAL

R.SEAL - PTFE/NBR

Disponible sur commande

Entrepôts :

  • AB - Calgary : Disponible sur commande
  • AB - Edmonton : Disponible sur commande
  • BC - Vancouver : Disponible sur commande
  • MB - Winnipeg : Disponible sur commande
  • ON - Mississauga : Disponible sur commande
  • QC - Montreal : Disponible sur commande
  • QC - Quebec : Disponible sur commande

CAD$240.99

Fiche technique

Styles RZ
Impérial/Métrique M
Compositions PTFE/NBR
DIA. INTERIEUR 200.00
H 5.90
SECTION TRANSVERSALE 3.45
SECTION TRANSVERSALE 3.45

Téléchargement

30 Autres produits dans la même catégorie: