R105120059RZ

R105120059RZ

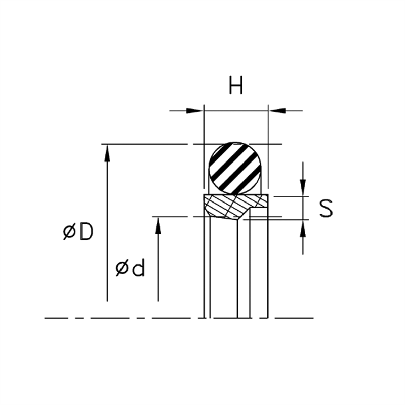
105.00MM.- ROD STEP SEAL

R.SEAL - PTFE/NBR

Produit en stock

Entrepôts :

  • AB - Edmonton : 21 Produits
  • AB - Calgary : 21 Produits
  • BC - Vancouver : 21 Produits
  • MB - Winnipeg : 21 Produits
  • ON - Mississauga : 21 Produits
  • QC - Quebec : 21 Produits
  • QC - Montreal : 21 Produits

CAD$101.67

Fiche technique

Styles RZ
Impérial/Métrique M
Compositions PTFE/NBR
DIA. INTERIEUR 105.00
H 5.90
SECTION TRANSVERSALE 3.45
SECTION TRANSVERSALE 3.45

Téléchargement

30 Autres produits dans la même catégorie: