8-459/N90

8-459/N90

BU.15.000 X 15.500" SOLID

B.UP RING - NBR 90

Produit en stock

Entrepôts :

  • AB - Edmonton : 40 Produits
  • AB - Calgary : 2 Produits
  • BC - Vancouver : Disponible sur commande
  • MB - Winnipeg : Disponible sur commande
  • ON - Mississauga : 40 Produits
  • QC - Quebec : Disponible sur commande
  • QC - Montreal : 12 Produits

CAD$14.84

Fiche technique

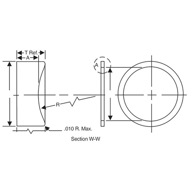
StylesCONTOURED BACK UP
Impérial/MétriqueI
CompositionsNBR
DIA. INTERIEUR15.000
DIA. EXTERIEUR15.500

Téléchargement

30 Autres produits dans la même catégorie: